Nominal pressure (PN): PNs2.5 (MPa)
Structural length: ANSI 150Lb/JIS 10K
Flange size: (Enterprise standard) Q/JL07-09
Pressure test: Refer to GB/T 13927AP1598
Lining layer inspection: HG/T 21562 (electric spark detection)
Index>Products>Fluoroplastic-Lined Pipe Fitting Series>Fluorine-Lined Pipe
| Follow the standards | material | ||
| Nominal pressure (PN): | PN≤2.5(MPa) | steel pipe | Seamless carbon steel pipe 20 # ANSI 40# |
| Structural length: | ANSI 150LB/JIS 10K | flange | Steel pipe Q235A, WCB |
| Flange size: | (Enterprise Standard) Q/JL07-09 | Bend, reducer, tee, four-way, instrument connector | Seamless carbon steel pipe 20ANSI 40 # carbon steel WCB |
| Pressure test: | Refer to GB/T 13927API598 | Lining layer material (full lining) | Polytetrafluoroethylene (PTFE), polypropylene (PP), polyolefin (PO), polyethylene (PE) |
| Lining layer inspection: | HG/T 21562 (Electric Spark Detection) | ||
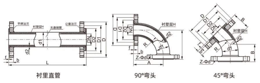
| Lined straight pipe | |||||
| Nominal Diameter | steel pipe wall thickness T(mm) | lining thickness T(mm) | length L(mm) | Weight/fixed length kg/m | |
| mm | inch | ||||
| 25 | 1" | 3 | 2 | ≤ 400 (wrapped tube) ≤ 3000 (push tube) Or according to the contract requirements (Customized Manufacturing) | 4.7 |
| 32 | 1 1/4" | 3 | 2 | 6.1 | |
| 40 | 1 1/2" | 3.5 | 2 | 7.5 | |
| 50 | 2" | 4 | 2 | 10.4 | |
| 65 | 2 1/2" | 4 | 2.2 | 14.7 | |
| 80 | 3" | 4.5 | 2.2 | 16.7 | |
| 100 | 4" | 4.5 | 2.2 | 21.1 | |
| 125 | 5" | 4.5 | 2.5 | 27.4 | |
| 150 | 6" | 5 | 2.5 | 35.4 | |
| 200 | 8" | 6 | 2.5 | 55 | |
| 250 | 10" | 7 | 2.5 | 88.2 | |
| 300 | 12" | 8 | 2.5 | 1.4.5 | |
| 90 ° lined pipe | 45 ° lined elbow | ||||||
| Nominal Diameter | L (mm) | kg Reference | Nominal Diameter | L (mm) | kg Reference | ||
| mm | inch | mm | inch | ||||
| 25 | 1" | 98 | 2.7 | 25 | 1" | 62 | 2.5 |
| 32 | 1 1/4" | 108 | 3.2 | 32 | 1 1/4" | 65 | 3.4 |
| 40 | 1 1/2" | 110 | 4.3 | 40 | 1 1/2" | 63 | 3.6 |
| 50 | 2" | 125 | 5.7 | 50 | 2" | 64 | 4.3 |
| 65 | 2 1/2" | 114 | 6.8 | 65 | 2 1/2" | 71 | 6.1 |
| 80 | 3" | 120 | 7.3 | 80 | 3" | 74 | 6.37 |
| 100 | 4" | 150 | 9.1 | 100 | 4" | 85 | 8.3 |
| 125 | 5" | 180 | 12.6 | 125 | 5" | 105 | 12.5 |
| 150 | 6" | 200 | 18.5 | 150 | 6" | 123 | 17.3 |
| 200 | 8" | 225 | 26.4 | 200 | 8" | 158 | 25.8 |
| 250 | 10" | 280 | 36.2 | 250 | 10" | 195 | 41.7 |
| 300 | 12" | 300 | 46.8 | 300 | 12" | 226 | 49.1 |
Zhejiang Lierdao Valve Co., Ltd
Hotline 0577-86860737
Address:
No. 903, Jinhai 3rd Road, Longwan Airport New Area, Wenzhou, Zhejiang, China
Scan to Inquire:
Copyright © 2026 Zhejiang Lierduo Valve Co., Ltd. All Rights Reserved.