X

0577-86860737

中文
swbicon

首页>产品中心>衬氟阀门系列

Q45球阀

衬氟阀门系列

设计与制造:GB/T 12237

结构长度:GB/T 12221

法兰标准:HG/T 20592

公称压力:PN10, PN16, PN25, Class150

连接方式:法兰式

压力试验:GB/T 13927

操作方式:手柄,涡轮,气动,电动

咨询热线:

15067809835

Q45球阀
<
>
Q45球阀

产品详情

遵循规范
设计与制造:GB/T 12237
结构长度:GB/T 12221
法兰标准:HG/T 20592
公称压力:PN10,PN16,PN25,Class150
连接方式:法兰式
压力试验:GB/T 13927
操作方式:手柄,涡轮,气动,电动


主要零部件材料表
序号零件名称碳钢不锈钢超低碳不锈钢
CPRPLRL
1阀体WCBCF8CF8MCF3CF3M
2WCBCF8CF8MCF3CF3M
3方块WCBCF8CF8MCF3CF3M
4压盖WCBCF8CF8MCF3CF3M
5衬里层FEP(F46)/PTFE(F4)/PFA
6填料PTFEPTFEPTFEPTFEPTFE
7螺栓25#304316304316
8螺母25#304316304316
9手柄/涡轮25#/QT450


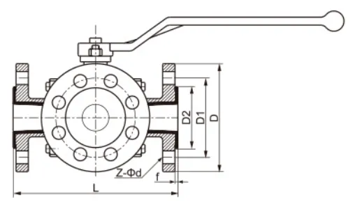
主要连接尺寸及重量
公称通径 DN(mm)标准值
LDD1D2fZ-Φd
PN1.0MPa
25180115856534-Φ14
322001401007834-Φ18
402201501108534-Φ18
5024016512510034-Φ18
652601851451203.58-Φ18
8028020016013548-Φ18
10032022018015548-Φ18
12537025021018548-Φ18
15043028524021048-Φ22
20055034029526548-Φ22
250670395350320512-Φ22
300720445400370512-Φ22
PN1.6MPa
25180115856534-Φ14
322001401007834-Φ18
402201501108534-Φ18
5024016512510034-Φ18
652601851451203.58-Φ18
8028020016013548-Φ18
10032022018015548-Φ18
12537025021018548-Φ18
15043028524021048-Φ22
200550340295265412-Φ22
250670405355320512-Φ26
300720460410370512-Φ26


咨询热线 0577-86860737

公司地址:

浙江温州龙湾空港新区金海三道903号

手机:

传真:

0577-86883757

邮箱:

cffm@lierduo.com

扫码咨询更多:

微信

Copyright © 2026 浙江利尔多阀门有限公司 All Rights Reserved.

浙ICP备10012193号-3